工業型壓力變送器
PH-GY系列為工業型壓力變送器,帶工業型防護表殼,壓力敏感核心采用了高性能的硅壓阻式壓力充油芯體,電流、電壓、Hart協議等多種輸出方式,可直接與PLC、DCS系統或數顯儀表連接,可選LED或LCD現場數字顯示,廣泛應用于工業過程控制、石油、化工、冶金、電力等行業。
全國服務熱線:0512-62969710
在線咨詢工業型壓力變送器的產品特點
■PH-GY系列為工業型壓力變送器,帶工業型防護表殼
■壓力敏感核心采用了高性能的硅壓阻式壓力充油芯體
■電流、電壓、RS485、Hart協議等多種輸出方式,可直接與PLC、DCS系統或數顯儀表連接
■可選LED或LCD現場數字顯示
■廣泛應用于工業過程控制、石油、化工、冶金、電力等行業
工業型壓力變送器的選型代碼

選型舉例
示例1:量程 :表壓0~1.6MPa,輸出信號:4~20mA,M20X1.5螺紋安裝,帶LED顯示
型號:PH-GY-GL420M1E(0-1.6MPa)
示例2:量程 :表壓0~1MPa,輸出信號:4~20mA,DN25 法蘭安裝,帶LED顯示
型號:PH-GY-GL420FE(0-1 MPa)
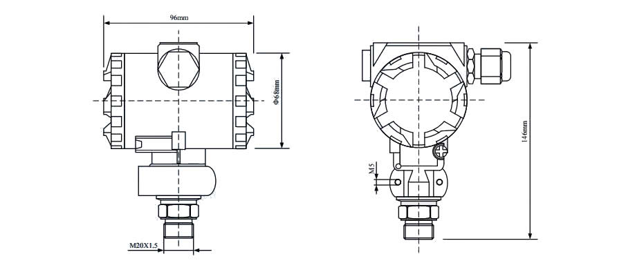
工業型壓力變送器的外形尺寸

詳細產品介紹請點擊下載
PH-GY工業型壓力變送器.pdf


