投入式液位變送器
PH-YW投入式液位變送器,也叫液位壓力變送器,基于所測液體靜壓與液位高度成比例原理,將先進的充油芯體封裝在不銹鋼殼體內,將靜壓轉換成電信號,再經過微型信號處理電路,轉換成標準電信號。
全國服務熱線:0512-62969710
在線咨詢投入式液位變送器的產品特點
■PH-YW系列液位壓力變送器為投入式液位變送器,基于所測液體靜壓與液位高度成比例原理,將先進的充油芯體封裝在不銹鋼殼體內,將靜壓轉換成電信號,再經過微型信號處理電路,轉換成標準電信號
■前端防護帽起到保護傳感器膜片作用,同時保證了液體流暢的接觸膜片
■電流、電壓、Hart協議、RS485等多種輸出方式,可直接與PLC、DCS系統或數顯儀表連接
■可選LED或LCD現場數字顯示
■廣泛應用于工業過程控制、石油、化工、冶金、電力等行業
投入式液位變送器的選型代碼

選型舉例
示例1:量程:0-5mH2O,輸出信號:4-20mA,電纜直接引線
型號:PH-YW-LGL420(0-5mH2O)
示例2:量程:0-30mH2O,輸出信號:4-20mA,電纜連接,帶工業型表殼,G1外螺紋安裝,帶LED顯示
型號:PH-YW-Y1GL420M3E(0-30mH2O)
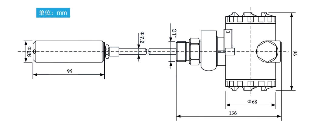
投入式液位變送器的外形尺寸

詳細產品介紹請點擊下載
PH-YW系列投入式液位變送器.pdf


